Trong lĩnh vực thiết kế vi mạch và hệ thống số, các bài toán xử lý hình ảnh thời gian thực luôn được xem là thước đo quan trọng để đánh giá năng lực tư duy hệ thống và khả năng làm chủ phần cứng. Tại FPT Jetking, sinh viên môn Thiết kế vi mạch – FPGA học kỳ II đã được tiếp cận một project mang tính thực tế cao: thu nhận hình ảnh trực tiếp từ camera CMOS OV7670 và hiển thị lên màn hình thông qua giao tiếp HDMI bằng FPGA.
Dự án không dừng ở việc “làm cho chạy”, mà hướng sinh viên đi sâu vào bản chất của cảm biến hình ảnh, luồng dữ liệu video và thiết kế hệ thống số thời gian thực – những nền tảng cốt lõi trong các hệ thống vision nhúng và FPGA công nghiệp.
Bối cảnh học tập và mục tiêu của dự án
Thay vì xử lý hình ảnh trên máy tính hay sử dụng các thư viện có sẵn, project được thiết kế với mục tiêu đưa sinh viên tiếp cận bài toán ở mức phần cứng thuần túy. Sinh viên phải làm việc trực tiếp với camera OV7670, đọc dữ liệu pixel song song, xử lý tín hiệu đồng bộ và xuất hình ảnh qua HDMI bằng FPGA.
Thông qua dự án này, sinh viên từng bước hình thành các năng lực quan trọng như đọc hiểu datasheet phần cứng, làm quen với luồng dữ liệu ảnh thời gian thực và thiết kế một hệ thống FPGA hoàn chỉnh có đầu vào – xử lý – đầu ra rõ ràng. Đây là dạng bài toán thường gặp trong các hệ thống camera nhúng, giám sát công nghiệp và thiết bị vision chuyên dụng.

Hành trình nghiên cứu và thực hành kéo dài 4 tháng
Trong suốt học kỳ, sinh viên phải tự xây dựng kiến thức từ những tài liệu kỹ thuật gốc, không có sẵn hướng dẫn từng bước. Camera OV7670 là một cảm biến CMOS phổ biến nhưng datasheet hoàn toàn mang tính kỹ thuật phần cứng, đòi hỏi người học phải chủ động phân tích và suy luận.
Sinh viên bắt đầu bằng việc tìm hiểu cấu trúc của cảm biến, vai trò của các tín hiệu quan trọng như PCLK, VSYNC và HREF, cũng như cách dữ liệu pixel được xuất ra qua bus song song 8-bit. Việc nắm được định dạng màu RGB565 và thứ tự truyền dữ liệu giúp sinh viên hiểu rõ bản chất của dữ liệu ảnh, thay vì chỉ xem hình ảnh như một “kết quả đầu ra”.
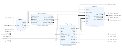
Song song với camera, sinh viên làm quen với hệ sinh thái FPGA thông qua Vivado, xây dựng block design và sử dụng các IP Core tiêu chuẩn như Clocking Wizard, Processor System Reset và HDMI Transmitter IP. Thông qua quá trình này, sinh viên hiểu rõ vai trò của clock trong hệ thống video, nguyên lý đồng bộ dữ liệu và cách kết hợp giữa logic tự thiết kế bằng HDL với các IP Core sẵn có – một kỹ năng thiết yếu trong thiết kế hệ thống số hiện đại.
Thiết kế luồng dữ liệu hình ảnh thời gian thực
Trọng tâm kỹ thuật của dự án nằm ở việc xây dựng luồng dữ liệu hình ảnh từ camera đến màn hình hiển thị. Dữ liệu pixel từ OV7670 được đọc theo từng chu kỳ PCLK, đồng bộ với các tín hiệu VSYNC và HREF, sau đó được xử lý, đóng gói và đưa vào pipeline hiển thị của hệ thống HDMI.
Ở giai đoạn này, sinh viên bắt đầu tiếp cận rõ ràng khái niệm xử lý thời gian thực, nơi mỗi sai lệch nhỏ về timing đều có thể khiến hình ảnh bị méo, mất dòng hoặc không hiển thị. Việc đảm bảo đồng bộ chính xác giữa các khối và duy trì luồng dữ liệu ổn định là thử thách lớn nhưng cũng mang lại giá trị học tập rất cao.
Sau khoảng 4 tháng học tập và thực hành liên tục, sinh viên đã thu nhận thành công dữ liệu hình ảnh từ camera OV7670, cấu hình và điều khiển camera thông qua giao tiếp SCCB, kết nối hệ thống FPGA với IP Core HDMI và hiển thị được hình ảnh trực tiếp lên màn hình.
Quan trọng hơn, sinh viên không chỉ đạt được kết quả về mặt kỹ thuật, mà còn hiểu rõ vì sao hệ thống hoạt động, cách các khối phần cứng tương tác với nhau và vai trò của từng tín hiệu trong toàn bộ hệ thống. Đây là bước tiến lớn đối với sinh viên ở giai đoạn học nền tảng FPGA và thiết kế hệ thống số.

Giá trị học tập và định hướng phát triển lâu dài
Dự án giúp sinh viên chuyển dịch từ tư duy học lý thuyết sang tư duy hệ thống, làm quen với những bài toán kỹ thuật mở không có lời giải sẵn. Thông qua project, sinh viên hiểu sâu hơn mối liên hệ giữa cảm biến, tín hiệu số, clock, xử lý ảnh và hiển thị.
Từ nền tảng này, sinh viên có thể tiếp tục phát triển lên các hướng chuyên sâu hơn như xử lý ảnh trên FPGA, thị giác máy tính nhúng, AI tăng tốc phần cứng, thiết kế SoC và các hệ thống camera công nghiệp – những lĩnh vực đang có nhu cầu nhân lực cao trong ngành bán dẫn và hệ thống nhúng.
Với thời gian học tập chỉ 4 tháng và kiến thức còn đang trong quá trình hình thành, việc sinh viên tự đọc datasheet camera, làm việc với giao tiếp tốc độ cao, sử dụng IP Core HDMI và xuất hình ảnh thành công trên FPGA là kết quả rất đáng khích lệ.
Dự án phản ánh rõ định hướng đào tạo tại FPT Jetking: học thật – làm thật – tiếp cận công nghệ lõi. Đây không chỉ là một bài tập học kỳ, mà là bước khởi đầu đúng hướng cho sinh viên theo đuổi con đường FPGA, thiết kế vi mạch và hệ thống nhúng xử lý ảnh trong tương lai.
Giảng viên Huỳnh Nhựt Hải

